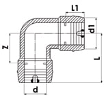
EF Dirsek 90°
| Çap | Basınç | Kod No | D1 | L | L1 | Z | Net Ağırlık |
| Size (mm) | Pressure (Bar) | Code No | (mm) | (mm) | (Weight) | ||
| d | |||||||
| 25 | PN 16 | 2 04 03 16 0025 000 | 35 | 35 | 32 | 20 | 0,078 |
| 32 | PN 16 | 2 04 03 16 0032 000 | 44 | 56 | 36 | 20 | 0,077 |
| 40 | PN 16 | 2 04 03 16 0040 000 | 54 | 62 | 39 | 22 | 0,112 |
| 50 | PN 16 | 2 04 03 16 0050 000 | 66 | 72 | 44 | 28 | 0,179 |
| 63 | PN 16 | 2 04 03 16 0063 000 | 81 | 81 | 49 | 32 | 0,29 |
| 75 | PN 16 | 2 04 03 16 0075 000 | 97 | 102 | 62 | 40 | 0,488 |
| 90 | PN 16 | 2 04 03 16 0090 000 | 115 | 122 | 62 | 60 | 0,859 |
| 110 | PN 16 | 2 04 03 16 0110 000 | 140 | 140 | 71 | 76 | 1,445 |
| 125 | PN 16 | 2 04 03 16 0125 000 | 154 | 142 | 74 | 68 | 1,56 |
| 160 | PN 16 | 2 04 02 16 0160 000 | 196 | 174 | 90 | 86 | 3,1 |



